HİZMET ALANLARIMIZ

ORTA GERİLİM SİSTEMLERİ KURULUMU, METAL MUHAFAZALI PANO İHTİYAÇLARINDA; TASARIM, ÇÖZÜMLEME, MÜŞTERİ İHTİYAÇLARININ VE ÇÖZÜM YOLLARININ BELİRLENMESİ AMAÇLI TEKNİK DANIŞMANLIK VERİLMESİ:

Fabrikanıza ait Orta Gerilim sistemi kuruyorsanız veya bu amaçla Metal muhafazalı kapalı pano ihtiyaçlarınız varsa; Pano imalatçısı ve müteahhit firmalar, son kullanıcılar arasında Elektrik Mühendisliği Teknik Desteği verilmektedir. 

MÜŞTERİ İSTEĞİ ÖZEL ATS (AUTOMATIC TRANSFER SYSTEM) UYGULAMALARI İÇİN MANTIK ŞEMALARI OLUŞTURULMASI:

Günümüzde enerji sürekliliği konusunda otomasyon uygulamaları gittikçe yaygınlaşmaktadır. Sisteminizde yüklere enerjiyi birden fazla noktadan taşıma, yönlendirme imkanınız varsa;  Bu işleyişin temel mantığını, talep, ihtiyaç ve isteklerinizi sizinle belirliyor, daha sonra tüm detay çalışmalarını tamamlayıp size mantık şemasını sunuyoruz. Tam otomatik, yarı otomatik, hızlı (fast transfer), yavaş (slow transfer), uyarı, sinyal ve mesajları içeren mantık şema; Farklı koruma röleleri veya PLC ler ile yazılıma hazır hale getiriliyor.

TEKNİK EĞİTİMLER VERİLMESİ:

Orta gerilim sistem analizi, tasarımı, şebekeler, Akım-Gerilim Trafoları, Kesiciler, Koruma fonksiyonları (ANSI 50/51 Aşırı akım-Kısa devre, ANSI 87 Diferansiyel koruma….v.s.) , temel hesaplamalar, diferansiyel koruma, bara diferansiyel koruma uygulama detayları ve trafo hesapları ( ClassX, Vkp – Knee point ), koruma planı, mekanik kilitlemeler, elektriki kilitlemeler, orta gerilim motor yolvermeleri, yük atmalar ( Load shedding ), Açma devresi ve bobini kontrolü ( TCS – Trip Circuit Supervision )  alanındaki birçok alt başlık için Elektrik Teknik eğitimler hazırlayıp, ihtiyaçlarınıza en uygun şekilde sunuyoruz.

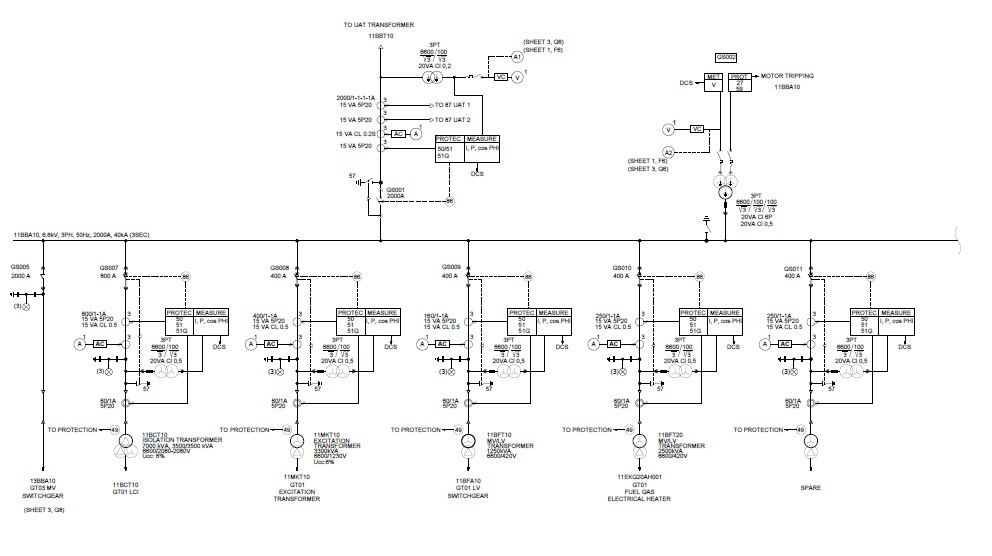
TRAFO KORUMALARI O.G. MOTOR YOLVERME KONTROLLERİ MANTIK KAPILAR İLE YAZILIMLAR O.G. TEK HAT ŞEMALARI O.G. MEKANİK KİLİTLEME GÜVENLİK UYGULAMALARI ATS UYGULAMASI TEK HAT ŞEMALARI
ATS UYGULAMASI TEK HAT ŞEMALARI YAPAY TOPRAKLAMA SİSTEMİ OTOMATİK TRANSFERLERİ O.G. MÜŞTERİ TEK HAT ŞEMALARI ANALİZİ O.G. MOTOR YOLVERME KONTROLLERİ DC BESLEME GÜÇ TÜKETİMLERİ ATS UYGULAMASI TEK HAT ŞEMALARI
ATS UYGULAMASI TEK HAT ŞEMALARI O.G. MÜŞTERİ TEK HAT ŞEMALARI ANALİZİ ATS UYGULAMASI DETAY MANTIK ŞEMALARI O.G. MEKANİK KİLİTLEME GÜVENLİK UYGULAMALARI ATS UYGULAMASI DETAY MANTIK ŞEMALARI BARA DİFERANSİYEL KORUMASI TASLAK ANALİZLERİ
KORUMALAR O.G. MEKANİK KİLİTLEME GÜVENLİK UYGULAMALARI MANTIKLARI O.G. ELEKTRİKİ KİLİTLEME GÜVENLİK UYGULAMALARI MANTIKLARI BARA DİFERANSİYEL KORUMASI ÇÖZÜMLEMELERİ PETROL ÜRETİM PLATFORMU DİFERANSİYEL KORUMA TRAFOSU HESAPLARI
O.G. SİSTEM ANALİZİ KAPALI RİNG ÇALIŞAN SİSTEM ANALİZLERİ KISA DEVRELERE KARŞI SİSTEM ÇÖZÜMLERİ KISA DEVRELERE KARŞI SİSTEM ÇÖZÜMLERİ ENERJİ ÜRETİMİ TESİSLERİ İHTİYAÇLARI BARA DİFERANSİYEL KORUMA TRAFOSU HESAPLARI
ATS UYGULAMASI DETAY MANTIK ŞEMALARI ATS UYGULAMASI TEK HAT ŞEMALARI O.G. MÜŞTERİ TEK HAT ŞEMALARI ANALİZİ İŞLETMA OPERASYON ŞEKİLLERİ MANTIK ANALİZLERİ YÜK ATMA (LOAD SHEDDING) UYGULAMALARI ANALİZİ RÖLELER VE ŞEBEKE İHTİYAÇLARI ANALİZİ
UYGUN KORUMA TRAFOSU SEÇİMİ HESAPLAMA VE ANALİZLERİ MÜHENDİSLİK DESTEĞİ METAL MUHAFAZALI HÜCRE TEKNİK DESTEĞİ KESİCİ AÇMA BOBİNİ VE DEVRESİ (TCS) UYGULAMALARI O.G. ELEKTRİKİ KİLİTLEME GÜVENLİK UYGULAMALARI ÇÖZÜMLEMELERİ ORTA GERİLİM SİSTEMLERİ GEREKLİLİKLERİ
GÜÇ TRAFOSU KORUMALARI GÜÇ TRAFOSU İÇİN KORUMA SEVİYELERİ TESPİTİ ZAMAN-AKIM-LOJİK BAZLI SELEKTİVİTE UYGULAMALARI KORUMA TRAFOSU Vkp İHTİYAÇ VE HESAPLAMALARI ATS UYGULAMASI DETAY MANTIK ŞEMALARI ENERJİ ÜRETİMİ TESİSLERİ İHTİYAÇLARI
ENERJİ ÜRETİMİ TESİSLERİ İHTİYAÇLARI ENERJİ ÜRETİMİ TESİSLERİ İHTİYAÇLARI ENERJİ ÜRETİMİ TESİSLERİ İHTİYAÇLARI ATS UYGULAMASI TEK HAT ŞEMALARI MÜHENDİSLİK DESTEĞİ 3 FAZLI SİSTEM ANALİZLERİ
1 FAZLI SİSTEM ANALİZLERİ 3 FAZLI SİSTEM ANALİZLERİ 3 FAZLI SİSTEM ANALİZLERİ 3 FAZLI SİSTEM ANALİZLERİ 3 FAZLI SİSTEM ANALİZLERİ ENERJİ ÜRETİMİ TESİSLERİ İHTİYAÇLARI
GÜÇ TRAFOSU KORUMALARI POTANSİYEL MÜŞTERİ VE SEKTÖRLERİMİZ ATS VE ÖZEL SENARYOLAR İÇİN LADDER DİAGRAM YAZILIMI
Destek Hattı
0 232 251 5566
info@atsmuhendislik.com.tr
Bilgi Toplumu Hizmetleri